返回主站 | 设为首页 | 加入收藏      
   
 
  首页 关于我们 产品展示 方案设计 技术分享 行业资讯 联系我们  
 
马达驱动IC/步进电机控制芯片
三相直流无刷BLDC电机驱动IC
单相直流无刷电机驱动芯片
直流无刷电机驱动IC
有刷直流电机驱动IC
步进电机驱动芯片(并行接口)
步进电机驱动芯片(步进/方向接口&串行接口)
静音步进电机驱动芯片
功放IC
电源管理IC
马达驱动IC/步进电机控制芯片
数模(DAC)/模数(ADC)转换芯片
智能处理器
音量控制IC
模拟开关IC
电容式触摸感应IC
RGB LED呼吸趣味灯驱动IC
音频CODEC IC
方案设计
电压电平转换器IC
运算放大器
I/O扩展器IC
 
名称:
种类:
类别:

业务洽谈:

联系人:张顺平 
手机:17727550196(微信同号) 
QQ:3003262363
EMAIL:zsp2018@szczkjgs.com

联系人:鄢先辉 
手机:17727552449 (微信同号)
QQ:2850985542
EMAIL:yanxianhui@szczkjgs.com

负责人联络方式:
手机:13713728695(微信同号) 
QQ:3003207580 
EMAIL:panbo@szczkjgs.com
联系人:潘波

 
当前位置:首页 -> 方案设计
如何使用模拟开关减少切换音频时的噪声
文章来源:永阜康科技 更新时间:2020/5/22 10:31:00
在切换音频和视频信号时,难点在于如何避免引入噪声,以及因设备电阻或附带电容导致的信号损失。虽然 CMOS 模拟开关既有效又高效,但设计人员需要了解关键的参数折衷才能正确使用它们。在音频或视频信号源间切换可能非常棘手。大多数机械开关或继电器并非为切换多媒体信号而设计,并且可能产生干扰,例如较大的爆音或视觉干扰。开关电路可以从头设计,但这会增加设计复杂性和时间。
       
为解决此问题,可以使用简单的 CMOS 模拟开关。它们的工作原理与小型半导体继电器相似,允许电流在两个方向流动,且损耗较低。凭借先开后合和低导通电阻等特性,可消除切换期间的音频或视觉噪声,同时减少信号损失。但在实践中,在使用模拟开关之前,设计人员还需要考虑各种规格的权衡。本文将首先讨论模拟开关基础知识和相关的设计权衡,然后介绍合适的解决方案及其使用方法。
 
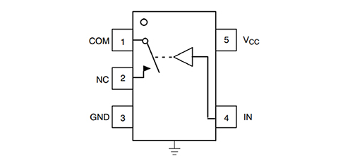
模拟开关使用并行的 P 沟道 MOSFET 与 N 沟道 MOSFET 来创建双向开关。ON Semiconductor 的 NS5B1G384 SPST 常闭模拟开关便是一个简单的 CMOS 模拟开关示例(图 1)。控制输入根据器件配置是常开 (NO) 还是常闭 (NC),将适当的逆变和非逆变信号发送到 MOSFET 栅极。
 
图 1:简单 SPST 模拟开关的高级表示。单个触点根据控制输入信号 IN 的状态来接通和断开
       
理想情况下,模拟开关应具有尽可能低的开关电阻 (RON)。实现方法是设计 CMOS 开关,通过增加 MOSFET 漏极 / 源极面积,为电子流动创造更多表面积并降低导通电阻。但是,增加表面积具有增大寄生电容的缺点。在较高频率下,此寄生电容可能成为一个问题,即形成低通滤波器从而导致失真。电容器还会因充电和放电时间而导致传播延迟。
       
在为给定应用选择 CMOS 开关时,权衡 RON 与寄生电容是关键。并非每个应用都需要低 RON,并且在某些情况下,模拟开关与电阻负载串联,使得 RON 可以忽略不计。但对于视频信号,权衡 RON 与寄生电容就变得很重要。随着 RON 的减小,寄生电容会增加。这会切断高频信号,导致带宽降低或失真。
       
对于图 1 所示的 NS5B1G384 案例而言,该器件具有 4.0 Ω(典型值)的较低 RON。寄生电容非常低,为 12 皮法 (pF),因而此开关可适用高至 330 MHz 的信号。
 
要在两个音频信号输出之间切换音频输入信号,须将音频输入连接到两个 NS5B1G384 开关的 COM 引脚。将每个开关的 NC 引脚连接到其各自的变换器,例如耳机和扬声器。请注意,一次只能选择一个 IN 引脚。
 
在此配置中,模拟开关的导通时间和关断时间变得很重要。对于 NS5B1G384,导通时间为 6.0 纳秒 (ns),关断时间为 2.0 ns。使用多个开关时,更快的关断时间可实现先开后合功能。这确保了在连接一个开关之前先断开另一个开关,从而防止两个负载同时连接。这还减少了在切换音频信号时不时在音频设备上听到的爆音。
 
另一种在两个音频信号输出之间切换的替代解决方案是使用两个 SPDT 模拟开关。例如,Analog Devices 的 ADG884BCPZ-REEL 在一个封装中包含了两个 SPDT 模拟开关。使用 5 V 电源时,两个开关的 RON 都很低,介于 0.28 Ω(典型值)和 0.41 Ω(最大值)之间,因而适合低损耗音频信号切换。但如此低的 RON 也要付出代价。开关打开时,模拟开关触点之间的寄生电容为 295 pF。
 
ADG884 可通过开关处理 400 mA 电流,因而适合从音频放大器直接驱动扬声器(图 2)。
 
图 2:该基本电路使用单个 Analog Devices ADG884 在两个音频输出设备之间切换
       
为了最大限度降低 EMI 将噪声注入音频输出的可能性,音频放大器在印刷电路板上的位置应尽可能靠近 ADG884。耳机插孔也应尽可能靠近 ADG884。如果扬声器不使用插孔,则应在 ADG884 和扬声器之间使用屏蔽音频线。
       
如果音频输入信号为差分对,则信号对 S1A/S1B、S2A/S2B 和 D1/D2 在印刷电路板上的布线位置应彼此相邻,以抵消任何共有干扰,进而消除扬声器或耳机的噪声。


 
 
深圳市永阜康科技有限公司 粤ICP备17113496号  服务热线:0755-82863877 手机:13242913995