 |
|
| |
|
|
业务洽谈:
联系人:张顺平
手机:17727550196(微信同号)
QQ:3003262363
EMAIL:zsp2018@szczkjgs.com
联系人:鄢先辉
手机:17727552449 (微信同号)
QQ:2850985542
EMAIL:yanxianhui@szczkjgs.com
负责人联络方式:
手机:13713728695(微信同号)
QQ:3003207580
EMAIL:panbo@szczkjgs.com
联系人:潘波 |
|
|
| |
|
 |
|
 |
当前位置:首页 -> 方案设计 |
|
|
| ADPD188BI烟雾检测光模块解决方案 |
|
|
| 文章来源:永阜康科技 更新时间:2018/7/13 9:44:00 |
|
ADI公司的ADPD188BI是用于烟雾检测的集成光模块,采用光学双波长技术,组成完整的光测量系统.模块集成了高效光测量前端,两个LED和两个光电二极管(PD),而前端采用专用集成电路(ASIC),包括控制区块,带20位突发累加器的14位ADC和三个灵活单独可配置的370mA LED驱动器,I2C或SPI接口,主要用在烟雾检测.本文介绍了DPD188BI主要特性,功能框图,I2C和SPI模式连接图表,以及评估板EVAL-ADPD188BIZ-SK主要特性和电路图.
The ADPD188BI is a complete photometric system for smokedetection using optical dual wavelength technology. The module integrates a highly efficient photometric front end, two lightemitting diodes (LEDs), and two photodiodes (PDs). Theseitems are housed in a custom package that prevents light from going directly from the LED to the photodiode without first entering the smoke detection chamber. The front end of the application specific integrated circuit(ASIC) consists of a control block, a 14-bit analog-to-digital converter (ADC) with a 20-bit burst accumulator, and three flexible, independently configurable LED drivers. The controlcircuitry includes flexible LED signaling and synchronous detection. The analog front end (AFE) features best-in-class rejection of signal offset and corruption due to modulatedinterference commonly caused by ambient light. The dataoutput and functional configuration occur over a 1.8 V I2C interface or serial peripheral interface (SPI) port.
DPD188BI主要特性:
3.8 mm×5.0 mm×0.9 mm module with integrated optical components
1 blue LED, 1 IR LED, and 2 photodiodes
2 external inputs for other sensors (for example,CO and temperature)
Three 370 mA LED drivers
20-bit burst accumulator enabling 20 bits per sample period
On-board sample to sample accumulator enabling up to 27 bits per data read
Optimized SNR for signal limited cases
I2C or SPI communications
DPD188BI应用:
Smoke detection

图1.DPD188BI功能框图

图2.DPD188BI I2C模式连接图

图3.DPD188BI SPI模式连接图
评估板EVAL-ADPD188BIZ-SK
The EVAL-ADPD188BIZ-SK evaluation board provides users with a simple means of evaluating the ADPD188BI optical module for smoke and aerosol detection applications. The evaluation system includes the Applications WaveTool graphical user interface (GUI), providing users with low level and high level configurability, real-time frequency and time domain analysis, and user datagram protocol (UDP) transfer capability so that the evaluation board can easily interface to the user development system. The EVAL-ADPD188BIZ-SK is powered through the ribbon cable from the EVAL-ADPDUCZ microcontroller board, obtained separately.
评估板EVAL-ADPD188BIZ-SK主要特性:
Supports the detection of UART
UDP transfer capability
Full configuration of the ADPD188BI
Register level
High level
Graph view
Time graph
Frequency graph
评估板EVAL-ADPD188BIZ-SK包括:
EVAL-ADPD188BIZ-SK evaluation board
Ribbon cable

图4.评估板EVAL-ADPD188BIZ-SK外形图

图5.EVAL-ADPDUCZ和评估板EVAL-ADPD188BIZ-SK连接图

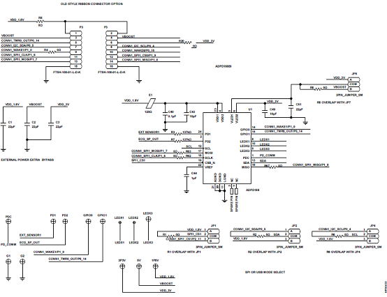
图6.评估板EVAL-ADPD188BIZ-SK电路图(1)

图7.评估板EVAL-ADPD188BIZ-SK电路图(2)
|
|
| |
| |
|
|
|